admin@sharpmachknife.com
0086(025)-57265888

We are proud that we have always managed to help our customers gain a correct shear blade which gives the maximum life per edge and thus less downtime.
Strict Survey before Production
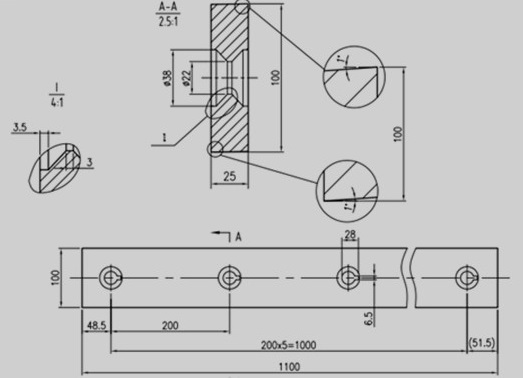
Besides continuous shear blade in single piece,we are also carrying carbide inserted or carbide inlaid knives with brazed or bolted edges to seeking a balance for the sake of the best cutting efficiency and the most savings.
Show Case
◆Butted Design Shearing Blades:

